江苏高菱蓄能科技有限公司
技术产品
当前位置:首页 >> 产品展示>>自主研发产品
超层流水蓄冷技术

蓄、放冷效率超过95%的新一代水蓄冷技术——高菱超层流水蓄冷


   针对不同的现场条件,提供多种经典的水蓄冷技术设计和产品,包括单槽温度分层型、多槽分层连接型、多槽混和连接型(迷宫式)等。对于应用最为广泛和普遍的单槽温度分层型(多水槽系统如果各槽是独立系统也视为单槽温度分层型)水蓄冷,高掌握超层流布水器设计、斜温层精确控制、以及蓄放冷一、二次侧高效动态管控等先进技术,通过设计和实施的水蓄冷系统,蓄、放冷效率超过95%。


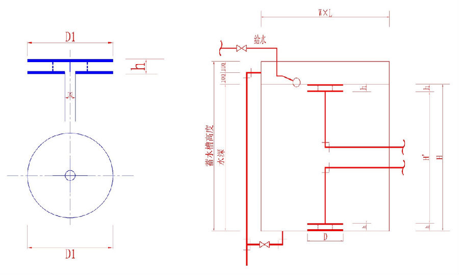
高菱温度分层型水蓄冷系统图





高菱布水器产品


   布水器是水蓄冷系统的重要核心设备,布水器的设计技术标准和加工质量是影响稳定高效的温度分层效果的重要因素。高菱拥有先进的布水器技术设计标准,采用流体力学数值模拟与实验测试平台相结合的方法研发和生产适用于各类型蓄水槽的布水器型号产品。


高菱水蓄冷应用




        超层流水蓄冷


上一个产品    下一个产品
友情链接: 中国招标网 中国冰蓄冷网 国家电网 中国节能网 V客暖通网 筑龙网 暖通空调 国家发改委 国家工信部 国家科技局 中国制冷展 中国制冷学会 中国储能网
江苏高菱蓄能科技有限公司 | 江苏冰菱能源科技有限公司 苏ICP备14019155号    网址:www.hdkolin.com
联系人:徐凤飞  手机:139-1498-6280  电话:025-57585786
地址:南京浦口区新城总部大厦B座1412室  技术支持:易动力网络科技    

苏公网安备 32050602010947号